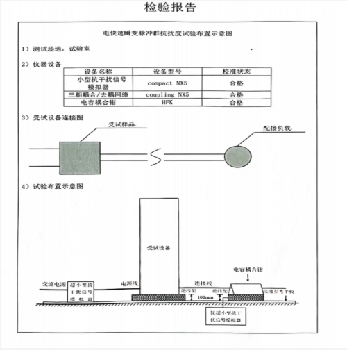
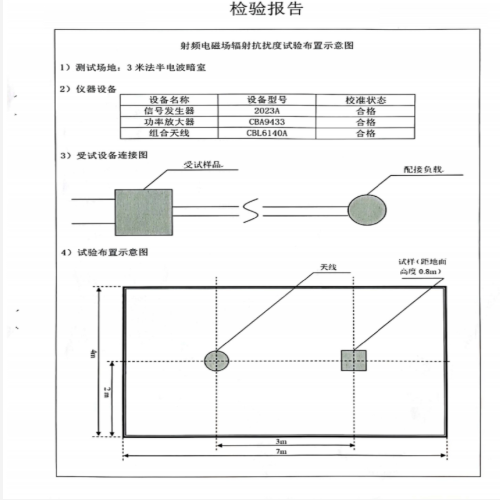
| 品牌 | 其他品牌 |
|---|
可燃气体报警控制器 型号:PK3000-I
可燃气体报警控制器
型号:PK3000-I
PK3000-I型可燃气体报警控制器是一款四总线制气体报警设备,集气体泄漏报警和联动控制功能于一体,可与PT2000B探测器等组件构成报警系统。
可燃气体报警控制器 型号:PK3000-I
主要特点
显示与操作:采用液晶显示器全中文实时显示系统状态,菜单化操作界面友好,便于信息查询和设置。
稳定性:基于微处理器设计,数据传输快速,抗干扰,降低误报率。
记录功能:可存储报警历史记录,支持后续调取查询。
可燃气体报警控制器 型号:PK3000-I
技术参数
1.外形尺寸:370mmX280mmX110mm
2.外壳材质:金属
3.容量:1个回路,每回路4个地址点
4.电池:单节电池容量:12V1300mAh;电池节数:2节
5.采用总线通讯方式
6.输出接点数量:5组
电源:AC220V±15% 50HZ±1%
功率:≤10W(主机功耗)
输入信号:4-20MA/RS485(同时兼容)
安装方式:现场壁挂式
安装通讯距离:≤1000m
执行标准:GB16808-2008
工作温度:-10~+50℃
工作压力:86~106kpa
报警方式:声、光报警
继电器输出:2路,风机或电磁阀驱动模式可设置
继电器触点容量:DC24V(AC220V)3A/路




